Tabell flenser DIN / ISO standard PP/stål
Flensetabell DIN / ISO standard
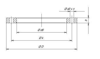
d: Rørdimensjon / krage i PE utvendig mål
DN: Flensedimensjon
PN: Trykkrating
rille: Til og med D180 DN 150 er det samme dimensjonering og hullsirkel på løsflenser.
b: Tykkelse på PPbelagt stål løsflens.
D: Ytre diameter på løsflens
d2: Diameter boltehull
d6: Diameter innvendig hull i løsflens
k: Hullsirkel på flens - viktig mål. (Hullsirkel avviker på større flenser etter trykklasse)
n: Antall bolter
| d: | DN: | PN: | rille PN: | b: | D: | d2: | d6: | k: | n: |
| 20 | 15 | 16 | 10/16 | 12 | 98 | 14 | 28 | 65 | 4 |
| 25 | 20 | 16 | 10/16 | 12 | 106 | 14 | 34 | 75 | 4 |
| 32 | 25 | 16 | 10/16 | 16 | 115 | 14 | 42 | 85 | 4 |
| 40 | 32 | 16 | 10/16 | 18 | 140 | 18 | 51 | 100 | 4 |
| 50 | 40 | 16 | 10/16 | 18 | 150 | 18 | 62 | 110 | 4 |
| 63 | 50 | 16 | 10/16 | 18 | 165 | 18 | 78 | 125 | 4 |
| 75 | 65 | 16 | 10/16 | 18 | 185 | 18 | 92 | 145 | 4 |
| 90 | 80 | 16 | 10/16 | 20 | 200 | 18 | 108 | 160 | 8 |
| 110 | 100 | 16 | 10/16 | 20 | 220 | 18 | 128 | 180 | 8 |
| 125 | 100 | 16 | 10/16 | 20 | 220 | 18 | 135 | 180 | 8 |
| 140 | 125 | 16 | 10/16 | 24 | 250 | 18 | 158 | 8 | |
| 160 | 150 | 16 | 10/16 | 24 | 285 | 22 | 178 | 240 | 8 |
| 180 | 150 | 16 | 10/16 | 24 | 285 | 22 | 188 | 240 | 8 |
| 200 | 200 | 10 | 10 | 24 | 340 | 22 | 237 | 295 | 8 |
| 225 | 200 | 10 | 10 | 24 | 340 | 22 | 240 | 295 | 8 |
| 250 | 250 | 10 | 10 | 30 | 405 | 22 | 288 | 350 | 12 |
| 280 | 250 | 10 | 10 | 30 | 405 | 22 | 294 | 350 | 12 |
| 315 | 300 | 10 | 10 | 34 | 460 | 22 | 338 | 12 | |
| 355 | 350 | 10 | 10 | 39 | 512 | 22 | 376 | 460 | 16 |
| 400 | 400 | 10 | 10 | 44 | 565 | 26 | 430 | 515 | 16 |
| 450 | 500 | 10 | 10 | 44 | 675 | 26 | 517 | 620 | 20 |
| 500 | 500 | 10 | 10 | 44 | 675 | 26 | 533 | 620 | 20 |
Forbehold om feil eller justeringer i tabell. Kun ment som rettledende. Små avvik i måldata kan forekomme mellom ulike produsenter, men DN, hullsirkel, boltstørrelser etc. er like.